| Sign In | Join Free | My isp.org.cn |
|
Brand Name : TCY
Model Number : CX290 CX300 ect.
Place of Origin : Made in china
MOQ : 1
Price : 1000-2000
Payment Terms : T/T,Alipay,Wechat ...etc.,
Delivery Time : 2-3/Negotiate
Packaging Details : Wooden Case
Part Number : KBA10750 LJ018700R LJ018700C LJ014910 ect.
Apply for : CX290 CX290B CX300 CX300C ect.
Product Name : Final drive
Weight : 410kg
Packing : 55*55*75
Warranty : 6 months
Application : Excavator Final Device
Delivery Port : guangzhou ningbo yiwu
New Aftermarket
CRAWLER EXCAVATOR KBA10750 CX290 CX290B TRAVEL MOTOR LJ018700 LN001980 CX300C MOTOR ASSY TRAVEL
| Model:CX290 CX290B CX300 CX300C | Part name:Travel Motor Assy |
| Part NO.:KBA10750 LJ018700R LJ018700C LJ014910 ect. | MOQ:1PCS |
| Packing:Wooden case | Place of Origin:China |
| Aftersale service provided:Online support | Apply To:Excavator Final Device |
| Delivery Time: 1-3 days Or negotiate | Note: Other models can be consulted online |
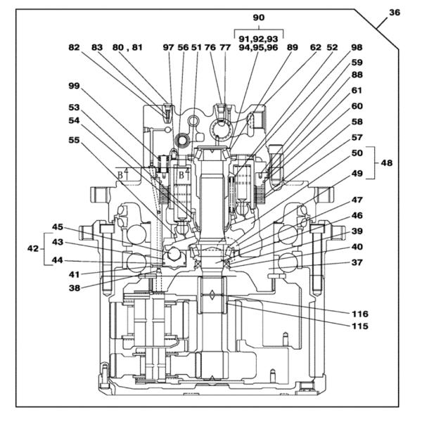
Product structure diagram


| Pos. | Part No | Qty | Parts name | Comments |
| KBA10750 | [1] | MOTO-REDUCTION GEAR | SUM Includes All Parts On Figures 06-02-06-04 Superseded by part number:LJ018700,LN001980 | |
| ·· | LJ018700R | [1] | REMAN-HYD MOTOR | RAC CX290B CRAWLER EXCAVATOR TIER 3(NA)(1/07-),ASSY, Reman for New PN KBA10750 |
| LJ018700C | [1] | CORE-MOTOR HYDRAULIC | RAC Return Number | |
| ·· | LJ014910 | [1] | HYDRAULIC MOTOR | SUM Motor,Piston;Incl.37-116;Also Includes Parts On Figure 06-04 Superseded by part number:LJ018700 |
| 37. | LW005120 | [1] | BOX | SUM |
| 38. | LK005330 | [1] | PLUG | SUM |
| 39. | LE00997 | [1] | OIL SEAL | SUM |
| 40. | 800-2168 | [1] | SNAP RING,M68,Int | CAS Superseded by part number:11061376 |
| 41. | LK00394 | [1] | PLUG | SUM |
| ·· | LJ013800 | [1] | PISTON | SUM Incl.43,44 |
| 43. | LJ013810 | [1] | PISTON | SUM Superseded by part number:LJ013800 |
| 44. | LE012890 | [1] | SEAL | SUM Superseded by part number:LJ013800 |
| 45. | LB011180 | [1] | BALL | SUM |
| 46. | LB00792 | [1] | DRIVE SHAFT | SUM |
| 47. | LB00796 | [1] | TAPERED BEARING,45mm IDx85mm ODx24.75mm W | SUM |
| ·· | LR015510 | [1] | PLATE | SUM Incl.49,50 |
| 49. | NSS | [2] | NOT SOLD SEPARAT | CON Bearing,Roller |
| 50. | NSS | [1] | NOT SOLD SEPARAT | CON Plate,Shoe |
| 51. | LS00206 | [1] | CYLINDER BLOCK | SUM |
| 52. | LG00430 | [9] | COMPRESSION SPRING | SUM |
| 53. | LR00862 | [1] | SPRING SEAT | SUM |
| 54. | LB00795 | [1] | BALL JOINT | SUM |
| 55. | LH00320 | [1] | RETAINER | SUM |
| 56. | LJ00955 | [9] | PISTON | SUM |
| 57. | LR00859 | [5] | ADJUSTING PLATE | SUM |
| 58. | LR00858 | [4] | PLATE | SUM |
| 59. | LJ00954 | [1] | PISTON | SUM |
| 60. | LE012900 | [1] | SEALING RING | SUM SEALRING |
| 61. | LE012910 | [1] | SEALING RING | SUM SEALRING |
| 62. | LW005130 | [1] | COVER | SUM |
| 76. | LK00391 | [2] | PLUG | SUM |
| 77. | 154467A1 | [2] | O-RING,10.8mm IDx2.4mm Width | SUM |
| 80. | TK00028 | [5] | PLUG | SUM |
| 81. | 154455A1 | [5] | O-RING | SUM |
| 82. | TJ00129 | [3] | CHECK VALVE | SUM |
| 83. | TG00045 | [3] | SPRING | SUM |
| 88. | LE00999 | [1] | O-RING | SUM |
| 89. | LB00797 | [1] | TAPERED BEARING,35mm IDx72mm ODx24.25mm W | SUM |
| ·· | LH00389 | [1] | SHIM KIT | SUM Incl.91-96 |
| 91. | LH00428 | [1] | SHIM,0.4mm Thk | SUM |
| 92. | LH00429 | [1] | SHIM,0.5mm Thk | SUM |
| 93. | LH00430 | [1] | SHIM,0.6mm Thk | SUM |
| 94. | LH00431 | [1] | SHIM,0.7mm Thk | SUM |
| 95. | LH00432 | [1] | SHIM,0.8mm Thk | SUM |
| 96. | LH00433 | [1] | SHIM,0.9mm Thk | SUM |
| 97. | 837-8012 | [1] | DOWEL,M8×12 | CAS |
| 98. | LR00860 | [1] | PLATE | SUM |
| 99. | LG00431 | [14] | COMPRESSION SPRING | SUM |
| 115. | LB00793 | [1] | COUPLING FLANGE | SUM |
| 116. | 800-2140 | [1] | SNAP RING,M40,Int | CAS Superseded by part number:300644 |
Exhibition



About shipping


FAQ
Q:What is your sample policy?
A:We can supply the sample if we have ready parts in stock, but the customers have to pay the sample cost and the courier cost.
Q:What are your main products?
A:We focus on spare parts for excavator hydraulic system, such as travel motors, swing motors, travel gearboxes, swing gearboxes, gear parts, hydraulic pumps.
If you need other excavator accessories, we can also supply according to your.
Q:How long is the warranty period of the product?
A:The warranty time is 6 months, depending on the project situation; we do not provide the warranty time for original and second-hand products.
Q:How do I order?
A:You need to tell us the model and quantity you are interested in, and then we will issue a proforma invoice for you. The goods will be prepared after receiving the payment. The preparation time depends on the content of the order.
Q:How do I pay?
A:You can pay through T/T, XT, wechat,alipay trade guarantee or negotiate payment.

|
|
CRAWLER EXCAVATOR KBA10750 CX290 CX290B TRAVEL MOTOR LJ018700 LN001980 CX300C MOTOR ASSY TRAVEL Images |